01
20GHz-67GHz Millimetre Wave Filters - High Quality, Fully Specified Filters
Characteristics and Application
Millimetre wave filters are used to process signals in the millimetre band and have a high operating frequency as well as frequency selectivity. Millimetre-wave filters require high-precision machining techniques in their manufacture to ensure the performance and reliability of the filters. The short millimetre wavelength makes millimetre wave filters relatively small in physical size, portable and easy to install, and easy to integrate with other microwave devices.
Product Principle

Technical Index
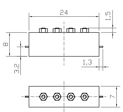
| Model | Freq.Range | Insertion loss | Passband | Passband | Stopband | Conn.Type | Material | Appearance | Dimension |
| BPF20.7GKN | 20.2-21.2GHz | 1dB | 1.5 | ≥80dB@19.6GHz | 2.92mm-K | Copper/Aluminum | Black paint | 68*14*10mm | |
| BPF20GKN | 19.6-21.2GHz | 1dB | 1.5 | ≥60dB@18GHz | ≥60dB@22.8GHz | 2.92mm-K | Copper/Aluminum | Black paint | 80*20*15mm |
| BPF23.5GKM | 21-26GHz | 1dB | 1.5 | ≥55dB@DC-20GHz | 0.3mmPin | Copper | Black paint | 53*13*11mm | |
| BPF33.25GKM | 26.5-40GHz | 1.1dB | 2 | ≥60dB@24.5GHz | 0.38mmPin | Copper | Black paint | 50*14*12mm | |
| BPF29.25GKN | 27.42-31.08GHz | 2dB | 1.5 | ≥30dB@27.1GHz | ≥30dB@3.15-40GHz | 2.92mm-K | Copper | gold-plated | 36*12*7mm |
| BPF38GWN | 36-40GHz | 1dB | 1.3 | ≥60dB@34.1GHz | ≥60dB@42GHz | BJ32flange | Copper | gold-plated | 49*24*20mm |
| BPF44.5GWN | 43.5-45.5GHz | 2dB | 1.5 | ≥60dB@42.8GHz | ≥60dB@46.2GHz | BJ40flange | Copper | gold-plated | 71*13*9mm |
| BPF44.5G5N | 43.5-45.5GHz | 2dB | 1.5 | ≥60dB@42.8GHz | ≥60dB@46.2GHz | 2.4mm-K | Copper | gold-plated | 71*13*9mm |
Nots
Excellent Performance
High-performance millimetre wave filters play an important role in communication, radar, aerospace, military applications and other fields with their features and advantages such as high frequency response, low loss, high selectivity, high rejection ratio, miniaturised design, and high-precision machining, and drive the continuous development and innovation of related technologies.
XST Company
XST is a leading manufacturer specialising in passive components, particularly millimetre wave filters. We pride ourselves on superior product quality, flexible customisation capabilities, and competitive factory direct pricing, and providing cost-effective solutions to our customers is our ongoing commitment.
Affordable Pricing
One of XST's core strengths is that we offer competitive factory direct pricing in the marketplace. Relying on advanced manufacturing technology and superior cost control methods, we ensure the high quality output of our millimeter wave filters while maintaining an affordable price. Our carefully designed pricing system is designed to provide an unprecedented cost-effective experience for our customers, ensuring that every customer has easy access to the industry's top products without having to sacrifice their budget, resulting in a win-win partnership.
Quality at a great value
Quality is paramount, and we uphold the standard of excellence in millimetre wave filters. Each product is designed and manufactured to exceed industry benchmarks, incorporating a stringent quality control system from material selection to finished product. We use cutting-edge technology and selected materials to create millimetre wave filters that not only provide outstanding performance and durability, but also provide stable and reliable signal filtering, consistently exceeding our customers' expectations and making every trust a solid reward.
Please feel free to send any of your needs, we will live up to your choice and trust.

