01
450MHz-35GHz High Quality 2-Way Power Divider - High Power Capacity - Multiple Connectors Available
Characteristics and Application
Performance index
• Insertion loss: 0.3dB-1.5dB
• Return loss: ≤1.6dB
• Isolation: 1.5dB-2dB
• Better amplitude balance and phase balance
• Capable of handling large power capacity
• Stable performance in harsh and extreme environments
• Compact and lightweight, easy to install, does not occupy space
Product Principle
| Product Name | 2-Way Power Divider |
| Frequency Range | 29.4-31GHz |
| N | 2 |
| Insertion Loss | 0.5 dB |
| VSWR | ≤1.3(IN) |
| ≤1.5(OUT) | |
| Phase | ≤±2.5° |
| Amplitude | ±0.3dB |
| Isolation | 16dB |
| connector | BJ320Standard flange |
| Power | 100W |
| Impedance | 50 OHMS |

Typical Curve Chart
Technical Index
| N | Freq. Range(GHz) | IL(dB) | VSWR | Isolation(dB) | Amplitude(≤dB) | Phase | Conn. Type | Power(W) |
| 2 way | 450-500MHz | 1 | 1.5 | 18 | ±0.3dB | ±3° | SMA-K | 10 W |
| 2 way | 0.4-2.4 | 0.4 | 1.6 | 15 | ±0.3dB | ±3° | SMA-K | 10 W |
| 2 way | 1-1.8G | 0.7 | 1.3 | 18 | ±0.3dB | ±2° | SMA-K | 10 W |
| 2 way | 1-18 | 1.5 | 1.7 | 15 | ±0.4dB | ±5° | SMA-K | 10 W |
| 2 way | 1-40 | 3 | 1.6 | 16 | ±0.5 dB | ±5° | 2.92mm-k | 1 W |
| 2 way | 2-26.5 | 1.2 | 1.6 | 16 | ±0.3 dB | ±4° | SMA-K | 1 W |
| 2 way | 2.83-2.93 | 1.2 | 1.3 | 18 | ±0.3dB | ±3° | N-K | 10 W |
| 2 way | 3 | 1 | 1.3 | 18 | ±0.3dB | ±3° | SMA-K | 10 W |
| 2 way | 4-6 | 0.5 | 1.3 | 20 | ±0.3dB | ±3° | SMA-K | 10 W |
| 2 way | 6-11 | 0.5 | 1.35 | 20 | ±0.3dB | ±3° | SMA-K | 10 W |
| 2 way | 6-40 | 1.5 | 1.5 | 15 | ±0.4dB | ±5° | 2.92mm-K | 1 W |
| 2 way | 7.5-8.5 | 0.7 | 1.3 | 18 | ±0.3dB | ±3° | SMA-K | 10 W |
| 2 way | 8-26 | 0.8 | 1.5 | 17 | ±0.4dB | ±5° | 2.92mm-K | 1 W |
| 2 way | 18-26.5 | 1.2 | 1.5 | 18 | ±0.3 dB | ±3° | SMA-K | 1 W |
| 2 way | 26-40 | 0.8 | 1.5 | 16 | ±0.4dB | ±5° | 2.92mm-K | 1 W |
| 2 way | 29.4-31.2 | 0.5 | 1.5 | 18 | ±0.3dB | ±2.5° | BJ320flange | 100W |
| 2 way | 31-35 | 0.3 | 1.6 | 18 | ±0.2dB | ±2° | BJ320flange | 100W |
Remarks
Impedance environment: meet 50Ω system
Surface treatment: surface silver plating
Working temperature:-40℃~+70℃ Storage temperature:-55℃~+85℃
Execution standard: meet SJ20527-2003
Quality grade: Industrial grade
Material: Aluminium (6061)
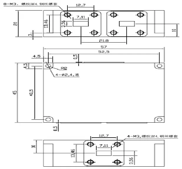
Unit: mm*mm*mm
Unnotched size tolerance: ±0.3mm
Installation size tolerance: ± 0.1mm
Customer Concerns
Working Principle
The 2-way power divider, a passive radio frequency (RF) and microwave component, has the primary function of dividing the power of an incoming RF signal equally or proportionally between two output ports.
XST's 2-Way Power Divider distributes the power of the input signal equally to the two output ports, with each port receiving half of the input power.
Impedance Matching: In order to minimise signal reflections, the input and output ports of the power divider are designed to match the impedance of the system, typically 50 ohms.
Reliable Performance
XST designs and produces 2-way power dividers with excellent performance in key indicators, including frequency range, insertion loss, return loss, isolation, amplitude balance, phase balance, and power capacity, etc. XST 2-way power dividers have not only passed the ISO9001:2008 quality certification, but also passed the GJB9001B-2009 military certification, which allows the products to maintain stable and reliable performance in extreme environments. XST has a long history of deep cooperation with research institutes (China Academy of Electronic Science, Mianyang Ninth Academy), scientific research institutes (Institute of Physics of Chinese Academy of Sciences, 29th Institute of CLP, 303rd Institute of the Third Academy of Sciences), universities (National University of Defense Technology), etc. According to the feedback from our customers, our products can provide a stable signal distribution and ensure the efficient operation of the system.
XST's 2-way power splitters are of excellent quality, affordable price, super cost-effective, wide range of applications, good customer reviews, and are the ideal choice for high-quality 2-way power splitters.
Unique Advantages
XST has a complete product line after 12 years of telling development. Product development, manufacturing, testing, etc. are all done in-house, thus effectively ensuring product consistency, production efficiency, fast delivery and reliability.
XST has a dual quality and cost control system, which allows XST to ensure the quality and performance of the power splitter, but also greatly reduce the cost, to ensure that customers can buy the power splitter and other microwave products at the lowest price in the market without compromising quality.
XST has always regarded the success of our customers as our own success, for this reason, we not only provide perfect service for the products themselves, but also willing to provide free and cutting-edge technical support to help our customers grow and continue to create value for our customers.



