01
Customised 500MHZ-44GHZ 5-Way Power Splitter - 1-Piece Order, Fast Production, On-Time Delivery
Characteristics and Application
XST's 5-way power dividers are designed and manufactured for reliability and durability in a wide range of environmental conditions, including high and low temperatures, water and dust resistance, and vibration resistance. Our 5-way power dividers are compact, small, lightweight, and easy to integrate,
XST offers customisation of power dividers to meet specific frequency, power, or size requirements, with no limit on custom quantities and 1-piece ordering, providing flexibility for specific applications.
Product Principle
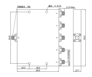
| Product Name | 5-Way Power Divider |
| Frequency Range | 26.5-40GHz |
| N | 5 |
| Insertion Loss | ≤2.5dB |
| VSWR | ≤1.7(IN) |
| ≤1.7(OUT) | |
| Phase | ≤±10 |
| Amplitude | ±0.8dB |
| Isolation | 16dB |
| connector | SMA-K |
| Power | 30W |

Technical Index
| N | Freq. Range(GHz) | IL(dB) | VSWR | Isolation(dB) | Amplitude(≤dB) | Phase | Conn. Type | Power(W) |
| 5 way | 0.5-8 | 2.6 | 1.4 | 16 | ±0.6 | ±6 | SMA-K | 30 W |
| 5 way | 8-18 | 4.5 | 1.5 | 18 | ±0.8 | ±8 | SMA-K | 30 W |
| 5 way | 1-8 | 2.1 | 1.5 | 16 | ±0.6 | ±7 | SMA-K | 30 W |
| 5 way | 2-8 | 1.1 | 1.5 | 17 | ±0.6 | ±6 | SMA-K | 30 W |
| 5 way | 6-18 | 1.4 | 1.6 | 18 | ±0.6 | ±7 | SMA-K | 30 W |
| 5 way | 18-26.5 | 2.2 | 1.6 | 18 | ±0.9 | ±10 | N-K | 30 W |
| 5 way | 26.5-40 | 2.5 | 1.7 | 18 | ±1 | ±10 | N-K | 30 W |
| 5 way | 24-44 | 2.8 | 1.8 | 16 | ±1 | ±10 | SMA-K | 30 W |
Customer Concerns
Indicator and demand for customisation
XST specialises in the research, development and production of filters, power dividers, combiners, couplers, isolators, amplifiers and microwave components, etc. XST is your first choice for customised microwave products with excellent quality, cost-effective price, timely delivery and perfect after-sales service.
XST provides OEM and ODM services for microwave products, especially for power splitters and combiners, the number of power splitters, power, VSWR, insertion loss, dimensions, special requirements, etc. can be customised according to customers' requirements. Frequency covers DC-67GHz, 2-channel to 64-channel selectable, with low insertion loss and VSWR, high isolation, excellent amplitude and phase consistency, etc. Widely used in test equipment, 5G system, aerospace and defence, etc., with industry-leading design and advanced manufacturing process.
Customization includes
- Frequency Range: XST can provide power splitters with different frequency ranges tailored to your needs, from DC to 40GHz or wider.
- Power Capacity: The power capacity of the power splitter can be customised according to the needs of the application scenario to suit different power requirements.
- Performance metrics: Performance parameters such as insertion loss, isolation, amplitude balance and phase balance can be optimised and tailored to your specific requirements.
- Dimensions and Packaging: The physical dimensions and packaging form of the power splitter can also be customised according to the requirements of the installation space and application environment.
- Connector type: Different connector types, such as SMA, N-type, etc., can be selected according to your interface requirements.
- Quantity Requirement: XST provides customisation service without minimum order quantity requirement, you can flexibly choose small lot or single piece customisation.
- Fast delivery: XST's production time is generally 2~3 weeks, we can also provide expedited production services, we will do everything possible to help you receive your products as soon as possible.
- Technical support: XST technical team leader one to one to provide perfect after-sales service and technical support to ensure the smooth use of the product.
Quality and reliability
XST's experienced engineers work with customers to understand their specific needs and ensure that the design meets specific technical parameters, including frequency range, power capacity, insertion loss, isolation, amplitude and phase balance. XST carefully selects high-quality materials, including premium resistors, capacitors, inductors, and high-performance connectors and cables. High precision manufacturing processes are used to ensure consistency and durability, and XST follows a stringent quality management system to ensure that every power splitter is controlled and monitored at every stage before it leaves the factory to ensure that it meets specifications.

