01
Double Ridge Waveguide High Directionality Coupler
product description
The double ridge waveguide highly directional coupler is a commonly used device in the microwave and RF field, which can achieve the directional transmission and distribution of signals. The double ridge waveguide high directivity coupler mainly works based on the coupling principle of electromagnetic wave, which couples part of the electromagnetic wave energy in the main waveguide to the sub-waveguide through specific structures (such as the double ridge waveguide and coupling holes), and at the same time, keeps the transmission direction of the remaining energy in the main waveguide unchanged. This coupling can be forward or reverse, depending on the design of the coupler and the needs of the application.

Technical indicators
| Product Name | WRD350 Highly directional couplers |
| Frequency Range | 2.0-4.8GHz |
| Insertion Loss | ≤0.3db |
| VSWR | ≤1.1 |
| Coupling | 50dB±3dB |
| Directionality | 18dB |
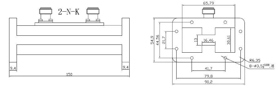
| Coupling Connectors | N-K |
| Power Handling | 1000W |
| Impedance | 50 OHMS |
| Model | Freq.Range | Insertion loss | VSWR | Coupling(dB) | Frequency response(dB) | Directivity(dB) | Conn. Type | |
| XST-DRCP150WC | 1.5-3.6 | 0.3 | 1.15 | 10-60 | ±2.5dB | 25 | 24JS1500 | WRD150D24 |
| XST-DRCP200WC | 2-4.8 | 0.3 | 1.15 | 10-60 | ±2.5dB | 30 | 24JS2000 | WRD200D24 |
| XST-DRCP250WC | 2.6-7.8 | 0.3 | 1.15 | 10-60 | ±2.5dB | 30 | 24JS2500 | WRD250D24 |
| XST-DRCP350WC | 3.5-8.2 | 0.3 | 1.15 | 10-60 | ±2.5dB | 30 | 24JS3500 | WRD350D24 |
| XST-DRCP475WC | 4.75-11 | 0.3 | 1.15 | 10-60 | ±2.5dB | 30 | 24JS4750 | WRD475D24 |
| XST-DRCP500WC | 45430 | 0.3 | 1.15 | 10-60 | ±2.5dB | 30 | 24JS5000 | WRD500D24 |
| XST-DRCP580WC | 5.8-16 | 0.3 | 1.15 | 10-60 | ±2.5dB | 30 | 24JS15800 | WRD580D24 |
| XST-DRCP650WC | 6.5-18 | 0.3 | 1.15 | 10-60 | ±2.5dB | 30 | 24JS6500 | WRD650D24 |
| XST-DRCP750WC | 7.5-18 | 0.3 | 1.15 | 10-60 | ±2.5dB | 30 | 24JS7500 | WRD750D24 |
| XST-DRCP700WC | 7-18.5 | 0.3 | 1.15 | 10-60 | ±2.5dB | 30 | 24JS7000 | WRD700D24 |
| XST-DRCP1100WC | 11-26.5 | 0.3 | 1.15 | 10-60 | ±2.5dB | 30 | 24JS11000 | WRD1100C24 |
| XST-DRCP1800WC | 18-40 | 0.3 | 1.15 | 10-60 | ±2.5dB | 30 | 24JS18000 | WRD1800C24 |
Nots
Performance - Unrivalled
XST's dual ridge waveguide highly directional couplers feature remarkable performance characteristics such as high directivity (≤30dB), wide bandwidth (1.5GHz-40GHz), low VSWR (≤1.15), high power capacity (1000W), and low insertion loss (≤0.3dB) and high coupling (10-60dB). These features make our double-ridge waveguide high directivity couplers used in radar, communication, navigation and other equipment systems, improving the versatility and flexibility of the equipment and providing deep application value.
Quality - Striving for Excellence
Quality is our constant pursuit, and we are committed to excellence in every step of the Double Ridge Waveguide High Directional Coupler process.XST has implemented a stringent quality control system at every step of the production process, which ensures that every step of the process, from raw material purchasing to finished product delivery, meets the highest standards. This comprehensive quality control not only enhances the overall quality of the product, but also strengthens customer trust in the XST brand.
Price - Affordable
XST believes that superior quality should not come at a high price. We have established long-term and stable relationships with our suppliers, which not only allows XST to enjoy more favourable raw material prices, but also to obtain quality-assured raw materials, thus ensuring the stability and consistency of product quality. Through refined cost-effective management, the company has succeeded in achieving both high performance and reasonable pricing. This means that customers can enjoy more cost-effective products without sacrificing quality. This strategy not only enhances XST's market competitiveness, but also creates greater value for customers.
Customisation - Flexibility
While guaranteeing quality and cost-effectiveness, XST also offers a personalised service for double ridge waveguide highly directional couplers, and our ability to customise flexibly allows us to stand out in the market. The external dimensions, flanges, connector types, materials, surface treatments and electrical specifications of our double ridge waveguide highly directional couplers can be customised according to the requirements of the user, creating a more intimate and professional solution to meet the specific application scenarios and unique needs of different customers.
Service - never-ending
Our elite, experienced technical team with its excellent professional ability, efficient service attitude and deep customer insight, on call 24 hours a day, from product selection to technical guidance, to after-sales service, a full range of coverage of the service model to ensure that customers in the entire product lifecycle can be sustained, professional support.
Please feel free to contact us if you need any help, we will return you excellent technical support and service experience.

